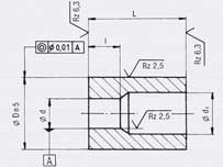
Schneidbuchsen ISO 8977 AMasszeichnung zur Schneidbuchsen ISO 8977 A

Schneidbuchsen ISO 8977 A

Werkstoff: HSS

Ausführung: Ausführung: gehärtet und angelassen, innen und aussen toleranzhaltig geschliffen.

Härte: 62 HRC +2

Abstufung der Bohrung:
bis d 16,6mm und D 25mm = 0,1mm
ab d 15,0mm und D 32mm = 0,5mm

Preis- und Lieferanfrage für Buchsen mit Zwischenmassen

Bestimmen Sie nachfolgend die Artikelparameter